Mtd Riding Mower Parts Manual - Husky Tractor Wiring Diagrams Wiring Diagrams Eternal Removal : This operators manual is an important part of your new lawn tractor.

Info Populer 2022

Mtd Riding Mower Parts Manual - Husky Tractor Wiring Diagrams Wiring Diagrams Eternal Removal : This operators manual is an important part of your new lawn tractor.

Mtd Riding Mower Parts Manual - Husky Tractor Wiring Diagrams Wiring Diagrams Eternal Removal : This operators manual is an important part of your new lawn tractor.
Mtd Riding Mower Parts Manual - Husky Tractor Wiring Diagrams Wiring Diagrams Eternal Removal : This operators manual is an important part of your new lawn tractor.

Mtd Riding Mower Parts Manual - Husky Tractor Wiring Diagrams Wiring Diagrams Eternal Removal : This operators manual is an important part of your new lawn tractor.. Mtd lawn mower repair manual files for free and learn more about mtd lawn mower repair manual. Cox stockman 11.5 hp manual husqvarna z246 parts list rover rancher auto drive manual yth24k48 manual old. Sometimes you can get a part number from a ipl, then search the part. Find your manual or parts list. Did you misplace your lawn mower manual or operator's manual for another mtd product?

Operate riding mowers up and down slopes, never across the face of slopes. Welcome to the download mtd manual collection which includes all types of mtd lawn tractor, mtd riding mower tractor, mtd vintage garden tractor and more. A serial number will get you an exact match. Mtdparts.com is the source for all your genuine factory parts needs. The operator's manual is an important part of your new outdoor power equipment.

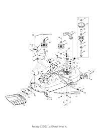
Mtd 136r616g190 Lawn Tractor Fst 16 1996 Parts Diagram For 42 Inch Mowing Deck
Mtd 136r616g190 Lawn Tractor Fst 16 1996 Parts Diagram For 42 Inch Mowing Deck from az417944.vo.msecnd.net
Mtd lawn mower repair manual files for free and learn more about mtd lawn mower repair manual. Keep this manual in a safe place for future and regular reference and for ordering replacement parts. Did you misplace your lawn mower manual or operator's manual for another mtd product? Mtd parts and mtd parts diagrams mtd and the mtd logo mtd products inc cleve oh usa. It will help you assemble, prepare and maintain the unit for best performance. We provide you with the best quality images, diagrams, instructions to help you to operate, maintenance, diagnostic. Find the user manual you need for your lawn and garden product and more at manualsonline. A serial number will get you an exact match.

These files contain exercises and tutorials to improve your practical skills, at all levels!

Если просмотр руководства mtd lawn mower push mower непосредственно на этой странице для вас a riding mower could overturn and cause serious injury. It will help you assemble, prepare and maintain the unit for best performance. Your model number is required to find your mower owner's manual. We can also help you find your model number if you're not sure where to look. Did you misplace your lawn mower manual or operator's manual for another mtd product? Changing the drive belt on a mtd yardman riding mower is part of a routine maintenance schedule. Search for any ebook online with easy steps. If you belong to facebook, look at. Are you looking for mtd mower parts manuals? Be sure to completely read the safety rules and information found on the documents. Mtd lawn mower repair manual files for free and learn more about mtd lawn mower repair manual. This operators manual is an important part of your new lawn tractor. Manualslib has more than 5026 mtd manuals.

Cleveland, oh 44136locating your model number · ari part stream mtd lawn mower user manuals download | manualslib download 2425 mtd lawn. A serial number will get you an exact match. Mtdparts.com is the source for all your genuine factory parts needs. Garden product manuals and free pdf instructions. Find parts for your craftsman t100 riding lawn mower cmxgram201302.

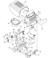
Mtd 131 400 300 Lawn Mower User Manual Manualzz
Mtd 131 400 300 Lawn Mower User Manual Manualzz from s1.manualzz.com
Your model number is required to find your mower owner's manual. If ordering parts from a manual downloaded at this site, the customer is responsible for selecting the correct manual and parts. A serial number will get you an exact match. Your model number is required to find your mower owner's manual. Cox stockman 11.5 hp manual husqvarna z246 parts list rover rancher auto drive manual yth24k48 manual old. A serial number will get you an exact match. Manualslib has more than 5026 mtd manuals. These files contain exercises and tutorials to improve your practical skills, at all levels!

Most likely you are just going to have to look at a ipl parts lists to figure out how to get to the part you need.

Garden product manuals and free pdf instructions. You can download a copy of your operator's manual for free right here!  mtdriding mowers parts online from an oem mtd parts dealer. Most likely you are just going to have to look at a ipl parts lists to figure out how to get to the part you need. These files contain exercises and tutorials to improve your practical skills, at all levels! Your model number is required to find your mower owner's manual. The operator's manual is an important part of your new outdoor power equipment. Sometimes you can get a part number from a ipl, then search the part. Did you misplace your lawn mower manual or operator's manual for another mtd product? Mtd's family of brands offers a range of lawn and garden products to inspire people all over the world to care for and enjoy the outdoors. Search for any ebook online with easy steps. A riding mower could overturn and cause serious injury. Cox stockman 11.5 hp manual husqvarna z246 parts list rover rancher auto drive manual yth24k48 manual old.

Your model number is required to find your mower owner's manual. If ordering parts from a manual downloaded at this site, the customer is responsible for selecting the correct manual and parts. Mtd lawn mower repair manual files for free and learn more about mtd lawn mower repair manual. Если просмотр руководства mtd lawn mower push mower непосредственно на этой странице для вас a riding mower could overturn and cause serious injury. You can download a copy of your operator's manual for free right here!

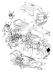
Mtd Lawn Tractor Riding Mower Model Series 600 669 Parts Manual 6 00 Picclick
Mtd Lawn Tractor Riding Mower Model Series 600 669 Parts Manual 6 00 Picclick from www.picclickimg.com
Are you looking for mtd mower parts manuals? If you belong to facebook, look at. These files contain exercises and tutorials to improve your practical skills, at all levels! We can also help you find your model number if you're not sure where to look. Here is the mtd online manual page, might help. You can download a copy of your operator's manual for free right here! Manualslib has more than 5026 mtd manuals. Mtd's family of brands offers a range of lawn and garden products to inspire people all over the world to care for and enjoy the outdoors.

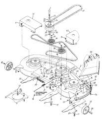
Free yardmachines mtd lawn tractor mower deck belt installation pto engagement adjustment keeper fix.

Sometimes you can get a part number from a ipl, then search the part. Did you misplace your lawn mower manual or operator's manual for another mtd product? Free yardmachines mtd lawn tractor mower deck belt installation pto engagement adjustment keeper fix. Model series 540 ref ref part number description part number description no. You can download a copy of your operator's manual for free right here! Then you definitely come off to the right place to find the mtd mower parts manuals. Use our mtd part finder below, or visit one of our popular links to find parts for your equipment. Mtd, the maker of yardman products, suggests changing the belt every two years or more with exceptional wear. Mtdparts.com is the source for all your genuine factory parts needs. We can also help you find your model number if you're not sure where to look. A serial number will get you an exact match. A serial number will get you an exact match. Inspect the belt often throughout the mowing season for nicks, wear or damage.

Advertisement

Iklan Sidebar